| 중국과기대, 고성능 생체모방 진주층 재료 개발 | ||
|
||
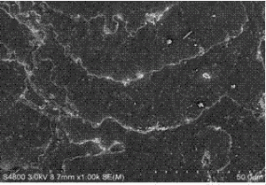
![]() 최근 중국과학기술대학 위수훙(俞書宏)/우헝안(吳恒安) 연구팀은 신형 생체모방 멀티스케일 소프트-하드 이중 네트워크 폴리머 기반 계면 설계전략을 제안함과 아울러 상향식 고효율적 바이오닉 조립방법 및 염가의 점토나노박편을 사용해 종합성능이 뛰어난 매크로블록 진주층 생체모방 나노복합재료를 성공적으로 제조했다. 해당 성과는 "Cell Press" 산하 "Matter"에 게재되었다. 연구팀은 염가의 몬모릴로나이트나노박편(MTM)을 조립용 "벽돌"로 하고 강성 페놀수지고분자(resol)와 유연성 폴리비닐알코올분자(PVA)의 복합성분을 계면 보조 "접착제"로 하는 한편 "증발 자기조립—적층" 연합사용 기술을 사용해 앞서 설계한 생체모방 진주층 복합블록재를 구축했다. 연구팀은 해당 소프트-하드 이중 네트워크 성분을 더한층 이용하여 마이크로스케일 막 사이 접착계면을 조절함과 아울러 박막 적층을 통해 최종적으로 매크로스케일 진주층 구조 생체모방 나노복합블록재를 제조했다. 동 생체모방 구조재료는 우아한 균열 편향 및 나노시트 추출 등 현상을 나타냈다. 최적화 구축된 생체모방 복합재료는 보다 높은 역학 증강효율 및 양호한 내습/내열성을 보유한다. 연구팀이 개발한 광물점토 기반 나노복합재료는 광범위한 구조재료 응용 분야에 적용될 전망이고 연구팀이 제안한 멀티스케일 소프트-하드 이중 네트워크 계면 설계전략은 신형 생체모방 구조재료 구축·보강에 효과적인 설계 아이디어를 제공할 전망이다. 정보출처 : http://digitalpaper.stdaily.com/http_www.kjrb.com/kjrb/html/2019-08/12/content_427662.htm?div=-1 |
